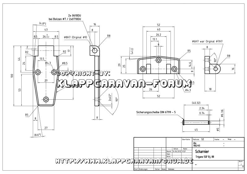
Trigano 5GF Scharnierteil Zeichnung
- KSF
- Meister-Camper

- Beiträge: 2458
- Registriert: 21.01.2008 18:23
Trigano 5GF Scharnierteil Zeichnung
1 Kommentare •
Seite 1 von 1
- KSF
- Beiträge: 2458
- Registriert: 21.01.2008 18:23
- Land: Deutschland
- Zugfahrzeug: Renault Grand Scenic
- Campingfahrzeug: Trigano Chambord 2006 Spezial, Rapido Orline 34L.
- Wohnort: Stuttgart/LB
Schutzvermerk ISO 16016 beachten, sowie § 17, § 18.
1 Kommentare •
Seite 1 von 1
Zurück zu „Reparaturen / Probleme“